网站首页
关于我们
公司简介
企业文化
企业荣誉
产品中心
微机保护测控装置系列
智能配网自动化终端设备系列
光伏二次设备/后台系统系列
电子样本
新闻资讯
服务支持
联系我们
网站首页
关于我们
公司简介
企业文化
企业荣誉
产品中心
微机保护测控装置系列
智能配网自动化终端设备系列
光伏二次设备/后台系统系列
新闻资讯
服务支持
联系我们
PRODUCT
产品中心
产品中心
微机保护测控装置系列
智能配网自动化终端设备系列
光伏二次设备/后台系统系列
KZDN-612A 系列电能质量监测装置
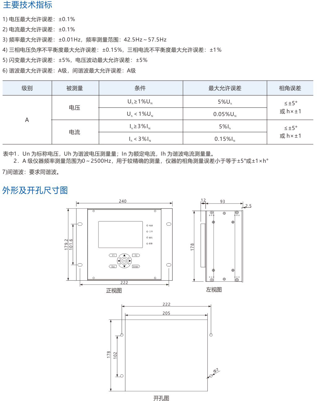
产品简介:
产品详情
相关产品
KZG-1700 系列光伏二次屏
KZB-200F 防孤岛保护测控装置
KZB-400 系列防孤岛与故障解列装置
KZB-9666 箱变综合测控装置
KZDN-612A 系列电能质量监测装置
KZB-7000G 防孤岛保护装置
KZB-7000GS 故障解列装置
KZB-7000N 逆功率保护装置
联系方式
浙江科自电力科技有限公司
地址:浙江省乐清市经济开发区滨海南三路28号6幢
市场部:0577-55774577
技术部:0577-55776455
上一个
下一个